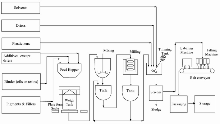
The unit operations used for paints manufacture are shown in Figure (21). These unit operations are mainly physical (mixing, grinding, filtration and packaging).
The manufacture procedures illustrated in Fig. (21) are for a mass-production of paints. The weighing, assembling, and mixing of the pigments and vehicles take place on the top floor. The mixer may be similar to a large dough kneader with sigma blades.
The batch masses are conveyed to the next operation, where grinding and further mixing take place. A variety of grinding mills may be used. One of the oldest methods is grinding, or dispersion, between two buhrstones; however, ball-and-pebble mills and steel roller mills were the principal grinding mills used until recently. Sand mills, high-speed agitators, and high-speed stone mills are being used increasingly to grind paints and enamels.
The types of pigments and vehicles are dominant factors in the choice of the equipment used. The mixing and grinding of pigments in oil require skill and experience to secure a smooth product.
After mixing, the paint is transferred to the next operation, where it is thinned and tinted in agitated tanks, which may hold batches of several thousand liters.
The liquid paint is strained into a transfer tank or directly into the hopper of the filling machine. Centrifuges, screens, or pressure filters are used to remove nondispersed pigments. The paint is poured into cans or drums, labeled, packed, and moved to storage, each step being completely automatic
![]() |
| Figure 21 |
